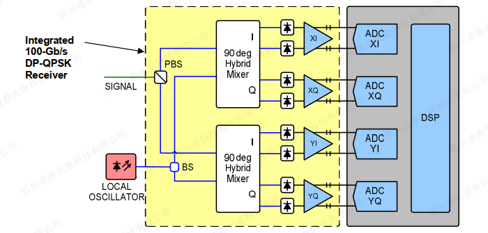
集成的100-Gb/s DP-QPSK接收器将两个90°光混合器与四对平衡光电探测器(PD)和四个线性TIA集成到单个蝶形封装中。 与其他不包含偏振分束器(PBS)和/或功率分束器(BS)的技术不同,Optoplex的接收器包含这两种技术以及光混合器、PD和TIA,以提供完全集成的解决方案,这将使用户受益 在完全消除光纤路由和倾斜管理方面。 集成接收器以高达32GBaud/s的波特率工作。
Optoplex的集成100-Gb/s DP-QPSK相干接收器与OIF的集成Intradyne相干接收器实施协议(IA) (OIF2009.033.04)兼容。 实际机械尺寸为50×27×7.5mm(比OIF的最大允许尺寸更短更薄)。 高速电气接口(RF输出)使用OIF的IA中提出的共面波导(CPW)。 低速电气接口(DC控制引脚)使用40个引脚,排列方式与OIF2009.033.05 IA中规定的相同。
|
参数 |
Unit |
Min |
Typ |
Max |
|
|
频率范围 |
C-Band |
THz |
191.5 |
|
196.2 |
|
L-Band |
THz |
186 |
|
191.5 |
|
|
信号速率 |
GBaud |
|
|
32 |
|
|
信号功率: 工作范围 |
dBm |
-18 |
-10 |
0 |
|
|
本振功率 |
dBm |
(Refer to detail spec. Ask Bonphot for the info) |
|||
|
线性输出摆幅调整范围 |
Standard |
mVppd |
300 |
500 |
700 |
|
Extended |
mVppd |
400 |
|
900 |
|
|
最大增益控制带宽 |
MHz |
|
5 |
|
|
|
总谐波失真 (THD)*1 |
% |
|
|
5 |
|
|
共模抑制比 (CMRRDC) |
Signal to I & Q |
dB |
|
|
-20 |
|
LO to I & Q |
dB |
|
|
-12 |
|
|
共模抑制比 (CMRR22GHz) |
Signal to I & Q |
|
|
|
-16 |
|
LO to I & Q |
|
|
|
-10 |
|
|
小信号带宽 |
GHz |
|
22 |
|
|
|
低频截止频率 |
kHz |
|
|
100 |
|
|
相位误差 |
deg |
|
|
±5 |
|
|
光信号反射率 |
dB |
-27 |
|
|
|
|
输出电回损(S22) |
f < 20GHz |
dB |
10 |
|
|
|
16GHz < f < 24GHz |
|
8 |
|
|
|
|
24GHz < f < 32GHz |
|
6 |
|
|
|
|
便宜Skew: p, n |
ps |
|
|
1 |
|
|
通道偏移 |
ps |
|
|
5 |
|
|
通道偏移变化 |
ps |
|
|
2 |
|
|
最大输入光功率 |
mW |
|
|
300 |
|
|
更多产品信息、需求信息,联系苏州bb平台体育艾弗森科技有限公司相关销售人员。 |
|||||
注:OIF详细要求请参考OIF2009.033.05
备注:1:总谐波失真 (THD):【直流电流=1.6mA; AC = 0.36mApp 输入到每个 PD VOUT|DIFF = 500mVpp; FIN = 1GHz ± 10%]
